ТЯЖМАШТРЕЙД
энергетика инноваций
Камеры сборные одностороннего обслуживания (ячейки КСО), являются наиболее распространенным элементом распределительных устройств среднего напряжения, благодаря унифицированной конструкции и простоте изготовления. В настоящее время они занимают 90% рынка распределительных устройств 6-10&nbsb;кВ внутренней установки. Распределительные устройства двустороннего обслуживания типа К-59 и К-63 не могут конкурировать с ячейками КСО ни по стоимости, ни по габаритам.
Камеры КСО представлены двумя большими группами: ячейки серии КСО-3хх (КСО-272, КСО-366, КСО-393 и т.п.) и ячейки серии КСО-2хх (КСО-266, КСО-272, КСО-285, КСО-298). Две последние цифры в маркировке ячеек обозначают год выпуска.
Камеры КСО-3хх отличаются от камер КСО-2хх меньшими габаритами, поэтому в них устанавливаются в качестве коммутирующих устройств только выключатели нагрузки (ВНА, ВНР) и разъединители (РВЗ, РВФЗ), в то время, как в ячейках КСО-2хх применяются, главным образом вакуумные выключатели.
Хотя ячейки КСО-2хх на вакуумных выключателях имеют значительные габариты и почти в пять раз дороже ячеек КСО-3хх на выключателях нагрузки, у них есть колоссальное преимущество, заключающееся в возможности использования совместно с вакуумными выключателями устройств релейной и микропроцессорной защиты и автоматики. В результате, в настоящее время рынок ячеек КСО-2хх и КСО-3хх почти сравнялся в стоимостном выражении.
Каждая ячейка КСО выполняет одну функцию (ввод, линия, вывод на трансформатор, секционирование). Благодаря такому подходу, удалось разработать набор стандартных схем ячеек КСО - не более полутора десятков схем для каждого типоисполнения. Каждая схема имеет стандартный номер, одинаковый у всех производителей. Это сильно упрощает производство камер КСО.
Камеры КСО-298 разработаны в 1998 г. взамен камер серий КСО-2, КСО-З66, КСО-386, КСО-272, КСО-285, КСО-292, а также ячеек КРУ типа К-104, K-XXVI, КМ1Ф и др. Камеры КСО-289 имеют меньшие габариты, что дает возможность использовать их для модернизации и расширения (увеличение количества фидеров) распределительных устройств.
Камеры КСО-298 предназначены для построения распределительных устройств на основе вакуумных выключателей.
Доступ в камеру обеспечивается через две двери: верхнюю - в зону вакуумного выключателя, трансформатора напряжения или предохранителей; и нижнюю нижнюю - в зону кабельных присоединений, силового трансформатора или разрядников. Нижняя дверь имеет смотровое окно для обзора внутренней части камер без снятия напряжения. Верхняя дверь является панелью, на которой смонтирована аппаратура схем вспомогательных цепей.
На фасаде камер размещена аппаратура с задним присоединением проводов, на внутренней стороне выполнена раскладка проводов. Внутри камера освещена лампой накаливания. Приводы разъединителей главной цепи расположены по обеим сторонам камеры и блокируются выпадающими блинкерами, связанными с валом выключателя. Приводы заземляющих ножей запираются на навесной замок и блокируются в самом разъединителе главной цепи.
Защита электрических сетей от коротких замыканий, перегрузки и других аварийных режимов обеспечивается схемами релейной защиты собранных на электромеханических реле или на микропроцессорных модулях.
Отправьте запрос в любой форме на электронную почту
Конструкция камер КСО-393 предельно упрощена для снижения стоимости. Камеры КСО-393 представляют собой сварную металлическую конструкцию из гнутых стальных профилей. Внутри камеры размещена аппаратура главных цепей, на фасаде — приводы выключателей и разъединителей, а также аппаратура вторичных цепей.
Доступ в камеру в зону выключателя, разъединителя, трансформатора напряжения, кабельных присоединений или предохранителей осуществляется через единственную дверь. Дверь имеет смотровое окно для обзора внутренней части камер без снятия напряжения. Верхняя крышка камеры является панелью, на которой монтируется аппаратура вторичных цепей. На фасаде также может быть размещена различная аппаратура.
Конструкция камер КСО обеспечивает сборку камер в ряд РУ и соединение главных цепей по сборным шинам. При двухрядном расположении камер для соединения главных цепей применяются шинные мосты без разъединителей и с разъединителями.
Камеры КСО-393 предназначены для построения распределительных устройств на базе выключателей нагрузки и разъединителей. Однако, в исключительных случаях в камерах КСО-393 могут размещаться и вакуумные выключатели.
![]() |
![]() |
![]() |
![]() |
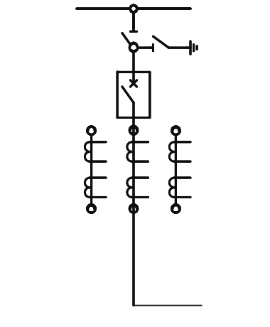
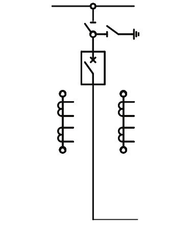
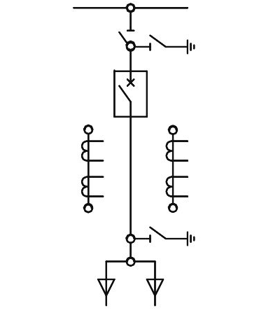
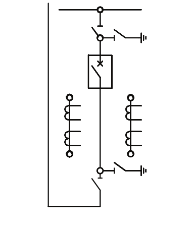
| 1ВВ | 2ВВ | 3ВВ | 4ВВ |
![]() |
![]() |
![]() |
![]() |
| 5ВВ | 6ВВ | 7ВВ | 8ВВ |
![]() |
![]() |
![]() |
![]() |
| 12ТН | 13ТН | 14ТН | 15ТН |
![]() |
![]() |
![]() |
![]() |
| 1 | 2 | 3 | 4 |
![]() |
![]() |
![]() |
![]() |
| 5 | 6 | 7 | 8 |
![]() |
![]() |
![]() |
![]() |
| 9 | 10 | 11 | 12 |
![]() |
![]() |
![]() |
![]() |
| 13 | 14 | 15 | 16 |
При подключении предприятий и организаций к сетям электроснабжения электросетевые компании выдают технические условия на подключение, в которых обязательно прописывают защиту линии от перегрузок.
В качестве устройства защиты обычно предлагается предохранитель-разъединитель выхлопного типа ПРВТ или реклоузер (пункт секционирования столбовой) ПСС.
Что выбрать? Какое устройство больше подходит конечному потребителю?