ТЯЖМАШТРЕЙД
энергетика инноваций
Комплектные трансформаторные подстанции киоскового типа (КТП, КТПК, КТПМ, КТПНУ 100-1600 кВА) представляют собой одно- двух-трансформаторные подстанции наружной установки в металлическом корпусе и служат для снабжения потребителей электроэнергией в районах с умеренным климатом (от -40 С до +40 С).
В отличие от капитальных и утепленных подстанций, имеющих распределительное устройство высшего напряжения (РУВН), трансформаторный отсек и распределительное устройство низшего напряжения (РУНН), киосковые подстанции выполняются по упрощенной схеме. Вместо полноценного РУВН на базе ячеек КСО обычно устанавливается выключатель нагрузки (для КТП мощностью выше 400 кВА) или разъединитель, который помещается в одном отсеке с трансформатором.
Правила устройства электроустановок (ПУЭ) запрещают размещение оборудования 0,4 кВ в одном отсеке с оборудованием 6 или 10 кВ. Но и здесь возможна оптимизация. Вместо полноразмерных распределительных панелей типа ЩО-70 устанавливается открытая панель, на которой размещаются вводное коммутирующее устройство (рубильник или автоматический выключатель), счетчик электроэнергии и автоматические выключатели отходящих линий.
Указанная компоновка позволяет разместить все оборудование КТП в габаритах 2000х3000 (для КТП мощностью более 400 кВА) или даже менее.
Здесь нужно оговориться, что сказанное относится только к тупиковым подстанциям (имеющим только один ввод по стороне ВН). Если же подстанция является проходной (то есть имеется отходящая линия ВН на другую подстанцию), то такой простой компоновкой обойтись не удается и по высокой стороне приходится устанавливать, как минимум, тря ячейки КСО (вводная, трансформаторная и линейная).
Зато есть еще один класс КТП, который позволяет вообще обойтись без РУВН - это так называемые КТП с прямым (глухим) вводом. Если коммутирующее устройство (например, разъединитель наружной установки РЛНД или РЛК) установлен на ближайшей опоре воздушной ЛЭП (что все равно требуется по ПУЭ), то устанавливать дополнительный коммутационный аппарат в подстанции не имеет смысла, линию можно завести (через предохранители) непосредственно на трансформатор.
В случае подстанций с глухим вводом, оснащенных трансформатором небольшой мощности (до 250 кВА) удается уменьшить габариты КТП до 2000х1500 с соответствующим уменьшением стоимости.
Не зависимо от того, является ли ввод высокого напряжения в подстанцию кабельным или воздушным, в соответствии с требованиями ПУЭ ввод осуществляется сверху. Таким образом, тип ввода практически не влияет на компоновку подстанции. Отличие КТП с воздушным вводом - в наличии на крыше так называемой "каланчи" воздушного ввода. Высота воздушного ввода также определяется требованиями ПУЭ, так как открытые проводники должны находиться на высоте не менее 4,5 м от поверхности земли. Количество выпускаемых подстанций с воздушным и кабельным вводом примерно одинаково.
Воздушный вывод отходящих линий низкого напряжения встречается реже. Обычно отходящие линии 0,4 кВ являются кабельными.
КТП киоскового типа проходные и тупиковые выполняются с кабельными или воздушными вводами и выводами в различных сочетаниях. Прибор воздушном вводе КТП подключается к ЛЭП посредством разъединителя, который поставляется комплектно с КТП и устанавливается на ближайшей опоре.
Отправьте запрос в любой форме на электронную почту
По выбору заказчика киосковая КТП может быть изготовлена либо в бюджетном варианте с минимальной ценой (при этом трансформатор отгружается отдельно от киоска), либо со следующими дополнительными опциями:
Нами реализована уникальная технология изготовления киосковых КТП климатического исполнения УХЛ1 (до -65 С), что актуально для регионов Сибири и Дальнего Востока с холодным климатом в зимние месяцы.
Компактная конструкция наших киосковых подстанций позволяет отправлять их в удаленные регионы грузовыми контейнерами, что позволяет существенно снизить стоимость железнодорожной доставки.
Конструкция КТПК-25-63 кВА |
Конструкция КТПК-100-630 кВА |
![]() |
![]() |
![]() |
![]() |
![]() |
![]() |
Цена КТП указана без трансформатора с НДС, руб. Стоимость КТП для конкретного заказа уточняется по опросному листу. Цены по состоянию на - 10.10.2014.
В связи с нестабильным курсом рубля, с 15.11.2014 цены изменены, уточняйте по телефону
| Наименование | Тупиковые | Проходные | ||||
| КК | ВК | ВВ | КК | ВК | ВВ | |
| КТП-63/6(10)/0,4 | 115 000 | 90 000 | 90 000 | 185 000 | 205 000 | 215 000 |
| КТП-100/6(10)/0,4 | 125 000 | 95 000 | 100 000 | 190 000 | 210 000 | 220 000 |
| КТП-160/6(10)/0,4 | 130 000 | 120 000 | 125 000 | 195 000 | 215 000 | 225 000 |
| КТП-250/6(10)/0,4 | 135 000 | 130 000 | 135 000 | 195 000 | 215 000 | 230 000 |
| КТП-400/6(10)/0,4 | 150 000 | 160 000 | 170 000 | 200 000 | 220 000 | 235 000 |
| КТП-630/6(10)/0,4 | 170 000 | 195 000 | 190 000 | 205 000 | 230 000 | 240 000 |
| КТП-1000/6(10)/0,4 | 240 000 | 270 000 | 250 000 | 280 000 | 325 000 | 335 000 |
Обозначение типов ввода/вывода: КК - кабель/кабель, ВК - воздух/кабель, ВВ - воздух/воздух
| Параметр | Значение параметра | ||||||||||||
| Тип трансформаторов | ТМГ | ||||||||||||
| Номинальная мощность трансформаторов, кВА | 63 | 100 | 160 | 250 | 400 | 630 | |||||||
| Схема и группа соедиения обмоток трансформатора | Y/Yн=0 | Y/Yн=0, Д/Yн=11 | |||||||||||
| Номинальное напряжение на стороне ВН, кВ | 6 | 10 | 6 | 10 | 6 | 10 | 6 | 10 | 6 | 10 | 6 | 10 | |
| Номинальный ток предохранителя на стороне ВН, А | 16 | 10 | 20 | 16 | 31,5 | 20 | 50 | 31,5 | 80 | 50 | 100 | 80 | |
| Номинальное напряжение на стороне НН, кВ | 0,4 | ||||||||||||
| Номинальный ток отходщяих линий, А | №1 | 25 | 40 | 80 | 100 | 100 | |||||||
| №2 | 25 | 40 | 80 | 100 | 160 | 160 | |||||||
| №3 | 63 | 100 | 160 | 200 | 200 | ||||||||
| №4 | 40 | 80 | 100 | 160 | 200 | 400 | |||||||
| №5 | 40 | 100 | |||||||||||
| №6 | 63 | 100 | |||||||||||
| Уличное освещение |
16, 25 | ||||||||||||

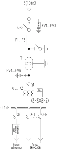
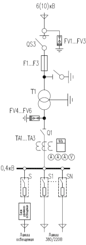
Схема 1. Тупиковая на плавких вставках |
Схема 2. Тупиковая на автоматических выключателях |
Схема 3. Проходная на плавких вставках |
Схема 4. Проходная на автоматических выключателях |
Скачать:
В настоящее время в эксплуатации находятся два поколения выключателей нагрузки, отличающихся конструкцией дугогасительных ножей.
В старом поколении выключателей нагрузки дугогасящие ножи жестко связаны с главными ножами. К этому поколению относятся снятые с производства выключатели нагрузки ВН-10, ВН-16, ВН-17 и некоторые выпускающиеся в настоящее время выключатели нагрузки ВНР-10.
В новом поколении выключателей нагрузки, к которому относятся современные выключатели ВНР-10 и ВНА-10, дугогасящие ножи связаны с главными ножами через шарнир и пружину.